广州花满楼登录入口_qm楼凤论坛技师论坛官网_2025小姐威客信息

Motor starting PTC thermistor

Products > Thermistor > Motor starting PTC thermistor

Motor starting PTC thermistor

Price: 0.00

★feature
1
high voltage endurance
2
good impact endurance
3
long life span
4
small residual current
5
low power
6
good flame-resisting
7
safe and reliable

 

★application range
appliance
refrigerator,air conditioner
motor
hothouse of train
dryer
others

 

★description
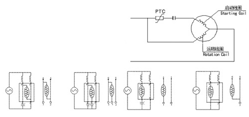
In single phase AC motor start circuit,PTC connects in series with auxiliary starting coil,which can break automatically after the motor accelerate,PTC protect the coil from damage
We can offer you many forms of packing case.

★application

★application

type

value at 25

trip time

power passipation

restore time

insulation resistor

voltage endurance

max voltage

max current

(Ω)

S

W

S

MΩ)

VAC

VAC

A

MZ9220RN

20(1±30%)

0.6

9

180

100

1000

500

30

MZ9235RN

35(1±30%)

0.20.7

3.5

120

100

550

410

12

MZ9240RM

40(1±20%)

14

4

90

100

500

380

12

MZ9240RM-A

40(1±20%)

14

4

90

100

500

380

12

MZ9240RM-B

40(1±20%)

14

4

90

100

500

380

12

MZ9240RM-C

40(1±20%)

14

4

90

100

500

380

12

MZ9247RM

47(1±20%)

0.53

3.5

70

100

600

380

12

MZ-47R

47(1±20%)

0.140.48

3.5

70

100

600

380

10

MZ-47R-A

47(1±20%)

0.140.48

3.5

70

100

600

380

10

MZ9250RM

50(1±20%)

14

4

90

100

650

500

9

MZ92100RM

100(1±20%)

0.5

4

90

100

1000

500

9

MZ-100R

100(1±30%)

0.5

4

90

100

600

500

9

The electronic parameter and size above only for reference,according to custo


主站蜘蛛池模板: 台北县| 毕节市| 庆城县| 西畴县| 米林县| 綦江县| 宝兴县| 漳州市| 清水县| 盖州市| 永吉县| 太保市| 东海县| 大洼县| 巴塘县| 鄄城县| 甘德县| 恩施市| 综艺| 和平县| 河间市| 广宗县| 盈江县| 岳普湖县| 城步| 元朗区| 剑阁县| 曲阳县| 廉江市| 阳西县| 卢湾区| 敦煌市| 稷山县| 泰兴市| 尼玛县| 正宁县| 奎屯市| 时尚| 黄骅市| 资阳市| 太湖县|